Kondic export - import
Kondic d.o.o.
Blagoja Marijanovica 8
11070 Novi Beograd
Srbija

TEL. +381 11 227 0 995
TEL/FAX +381 11 228 0 060
Email: kondics@eunet.rs


POTREBE ZA MAŠINOM

Pravilna obrada trafo ulja je jedan od najvažnijih cinilaca prilikom proizvodnje, puštanja u rad, popravke i revizije transformatora. Filtriranjem, degazacijom i dehidracijom izolacionih ulja, mogu se znatno poboljšati elektricne osobine ulja, ( probojna jacina, izolacioni otpor i faktor gubitaka ).

S obzirom na cenu transformatorskog ulja, nemogucnosti supstitucije, kao i izraženim problemom odlaganja ulja i ekološkim opasnostima, potreba za postrojenjima ovakvog tipa je još izraženija.

Uzimajuci u obzir da svaki veliki potrošac elektricne energije, ( industrijska postrojenja, železnica, rudnici, elektroremonti, gradovi), ima transformatorske stanice, cija vrednost višestruko prevazilazi cenu jedne mašine, udeo mašine kao elementa u proizvodnji koji im pravilnom obradom znatno produžava vek trajanja je prakticno nezamenljiv.

Beograd na primer poseduje ca. 6000 transformatorskih jedinica, a u svakoj od njih se nalazi najmanje 500 l trafo ulja. Uzmemo li u obzir da 85% kvarova trasformatora potice od lošeg kvaliteta i neobradenosti trafo ulja, štete po elektricnu mrežu i industrijsku proizvodnju se izražavaju milionima dinara.

Posebno naglašavamo da se obradom ulja mašinama znacajno smanjuje gubitak u ukupnoj energetskoj mreži, cime se znacajno povecava energetski potencijal elektro privrede.

Znacaj posvecen mašinama za filtriranje transformatorskog ulja u svetskim okvirima, ilustruje podatak da se, u standardnoj ponudi nekih svetskih proizvodaca transformatora, prilikom isporuke deset i više transformatora uz njih daje i odgovarajuci tip mašine za filtraciju.


OPIS RADA

Transformator se sastoji (sasvim uprošceno) od tri namotaja žice, koji su potopljeni u posudu sa trafo uljem koje ga hladi, i izoluje od preskakanja varnice koja izaziva požar i razaranje transformatora.

Uzimajuci u obzir higroskopnost ulja i njegov loš kvalitet koji cesto postoji i pre unošenja u transformator, preduzece "KONDIC " je razvilo i mobilne mašine koje su sposobne da pridu transformatorima i izvrše filtraciju ulja na licu mesta, bez potrebe za demontažom i transportom u remontni zavod.

Time se postiže efikasno odstranjivanje prljavštine, vlage, gasova, vlakana, cadi i elemenata koji nastaju starenjem ulja prilikom rada transformatora, na licu mesta, i smanjuju se troškovi i moguce komplikacije prilikom transporta.

Na grafikonu koji je prikazan na sledecoj strani date su vrednosti dielektrice probojnosti, vrednosti tangens delta i izolacionog otpora u zavisnosti od sadžaja vlage u ulju u ppm.

Želimo da istaknemo da su karakteristike ulja precišcenog postrojenjem firme "KONDIC" u 92 % slucajeva imala karakteristike dielektricne cvrstoce u vrednostima preko 250 kV/cm za šta posedujemo overene sertifikate Instituta "Nikola Tesla" iz Beograda.

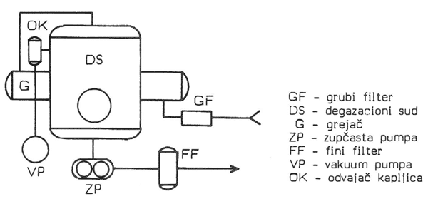
PROCES PRERADE

Ulje se direktno uzima iz transformatora, prolazi kroz grubi filter sa snažnim magnetom. Zatim se blago zagreva u elektro grejacu. U degazacionom sudu, koji se nalazi pod vakuumom, ulje se raspršuje ili prevodi preko specijalnih razvodnih limova i kolona koje u zavisnosti od tipa mašine imaju keramicke ispune, i oslobada se vlage i rastvorenih gasova. Na kraju procesa ulje prolazi kroz fini filter kojim se finalno odstranjuju i najsitnije mehanicke necistoce.

Na ovaj našin obradeno ulje vraca se nazad u transformatorsko postrojenje.
U zavisnosti od kvaliteta i starosti ulja, pocetne zaprljanosti, sadržaja vlage i gasova, kao i kapaciteta mašine, proces se ponavlja više puta.


TEHNICKE KARAKTERISTIKE

Tip mašine
S1000
S2000
S4000
S6000
S 10000 
S 12000
Protok ulja
1000
2000
4000
 6000
10000
12000
Zagrevna Snaga (kW)
15
(2x7,5)
30
(2x15)
60
(2x30)
75
(3x25)
150
(3x50)
180
(3 x 60)
Kapacitet vakuum pumpe m3/h
25
63
100
160
250
300
Fini filter ( µm)
3 - 5
3 - 5
3 - 5
3 - 5
3 - 5
3 - 5
Pocetni sadržaj vlage (ppm)
50
50
50
50
50
50
Krajnji sadržaj vlage (ppm)
2 - 5
2 - 5
2 - 5
2 - 5
2 - 5
2 - 5
Pocetni sadržaj gasova (%vol.)
10
10
10
10
10
10
Krajnji sadržaj gasova (%vol.)
0,05
0,05
0,05
0,05
0,05
0,05
Min. temperatura na ulazu ( t °)
5
5
5
5
5
5
Razlika temp. (ulaz/izlaz) (t °)
28
28
28
28
28
28
Dimenzije postrojenja (mm)
 (L/W/H)
1350
700
1600
1500
900
1750
1900
1100
2000
2100
1200
2300
2200
1400
2500
2400
1600
2500
Težina postrojenja (kg 550 700 1300 2300 3000 4500

Mašine se isporucuju kompletno ožicene, sa el.ormanom, kontaktorima, motornim zaštitama i dva specijalna creva otporna na ulje spremno za rad.

Svaka mašina se pre isporuke ispituje u pogonu za proizvodnju i pušta u probni rad.
Mašina se isporucuje u staticnoj varijanti, a mobilna mašina na prikolici sa arnjevima, ciradom, trecim tockom i stabilizatorima izraduje se na zahtev.

Uz svaku prodatu mašinu obezbedujemo i potrebnu obuku kadrova.
Za prodate mašine dajemo garanciju do godinu dana.

Nazad

Filtriranje Ulja
JESSBERGER Pumpe
YAMADA Pumpe UR Pumpe TELLARINI Pumpe
Ručne Pumpe
ARGAL Pumpe
Podrumske Pumpe
Fontane
Kontakt